欢迎来到广东汇众环境科技股份有限公司
收藏本站
网站地图
联系汇众
汇众首页
关于汇众
工程案例
产品中心
新闻资讯
联系汇众
汇众首页
关于汇众
工程案例
产品中心
新闻资讯
联系汇众
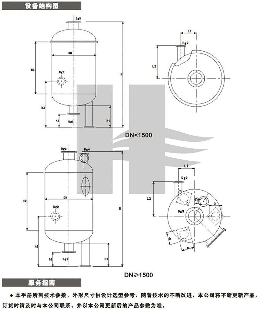
RDP系列定期排污扩容器
首页 >
产品中心 >
RDP系列定期排污扩容器
产品名称
RDP系列定期排污扩容器
联系方式
13600088895
立即咨询
产品详情
其它产品
SHG系列耙齿回转式格珊除污机
机械细格珊
砂水分离器
全部
给水净化系列
循环水处理系列
化水处理系列
锅炉辅机系列
中水回用系列
污水处理系列
药剂
服务
填料
滤芯
膜
专业设备
RDP系列定期排污扩容器
产品参数
产品详情
首页
联系电话
产品中心
联系我们
13600088895